自制电源净化器
随着音响爱好者对完美音质的不断追求,电源质量对音质的影响已越来越被重视。目前市场上也出现了多种牌号的电源净化器,虽有较好的使用效果,但其几千元的售价使工薪族发烧友难以奢望。“自己动手,丰衣足食”始终是经济发烧友们的快事。
笔者在好友处试听了某进口名牌产品的使用效果后,颇受感触。之后连续试制了几款用不同电路及材料制作的电源净化装置,均收到了预期的效果。在此向爱好者介绍一款针对我国居民供电情况而设计,且取材容易、制作简单、效果较好的电源净化器。
我们知道.电源电气噪声来源的主要途径有以下几种;
①空中杂散电磁波被供电线路所感应接收(我国居民楼层电力输送线路较少使用金属钢管屏蔽布线方式.也较少有专门的线路单独供音响采统使用);
②在电网中存在电气噪声污染源(如电子调光器.用高频开关电源的电器设施等);
③低功率因数感性负载的并网运行(如冰箱、空调器等).以及大功率负载的开启与关闭时的浪涌电流。
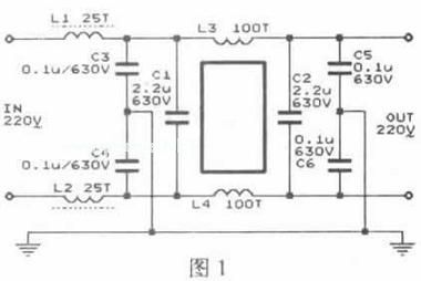
其中第①种噪声较易被滤除.而②、③两种噪声不仅所占频谱极广.且难以被彻底清除掉。为此.本电源净化器设计成两级噪声滤波
形式,如图1所示。第1级由L1,L2,C3,C4组成的回路对电源进线上的电磁杂波进行滤除;由Ll、L2、C1回路来滤除叠加于50Hz 工频电压上的高端谐波分量.但未采用常规的同相滤波器.以提高该级对偶次谐波的滤波效果。第2级由c1、c2、L3、L4回路组成同相滤波器.由于c1,c2容量取值较大.L3,L1铁芯功率大且绕组匝数多,所以对叠加于50Hz工频电压上的低端谐波分量与电网中的浪涌电流有极强的吸收抑制能力,能显著地降低50Hz 正弦波的失真度。C5、C6 用来进一步滤清高频电磁干扰。

整个电路设计朴素,用料也不多。制作时L1、L2用φ1.8mm高强度漆包线在外径为30mm左右得高频磁环上穿绕25匝,浸漆烘干备用。L3、L4用φ1.8mm高强度漆包线在40VA的环形变压器铁芯上双线并行穿绕100匝(若无环形铁芯,也可用功率相近的EI型铁芯代替),同名端同进或同出。需注意的是,两并行绕线的线间电压为220V,需在浸漆烘干后用兆欧表测试一下绝缘性能,以确保安全。电容C1-C6笔者选用WIMA牌MKP-10型,耐压一律大于630V,制作时也可根据实际条件,采用其他优质产品。印制板如图2所示,采用双面铜箔板,所有元件均直接焊在印制面上,反面铜箔接地。L1、L2在焊好后用环氧树脂封固。L3、L4环形电感线圈用上下绝缘板夹紧,再用8mm螺丝固定在印制板上。完工后测试一下绝缘性能,最后装入一绝缘盒内。需要强调的是,本装置的地线一定要自行独立地可靠入地。
- 刊登此文只为传递信息,并不表示赞同或者反对作者观点。
- 如果此内容给您造成了负面影响或者损失,本站不承担任何责任。
- 如果内容涉及版权问题,请及时与我们取得联系。

文章评论